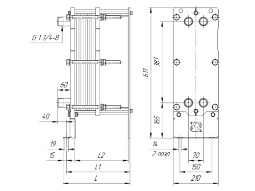
Теплообменник Ридан НН№04 ДУ 32
Характеристики
Рабочая температура среды, °C:
от -25 до +180
Материал прокладки:
EPDM, Nitril, Viton и их модификации
Материал пластин:
AISI 304, AISI 316L, SMO 254, Titan, C-276 и другие
Регулируемая среда (теплоноситель):
вода, пар, углеводороды, кислоты, пищевые жидкости и другие
Категории
Заявка на консультацию
×Характеристики
Рабочая температура среды, °C
от -25 до +180
Материал прокладки
EPDM, Nitril, Viton и их модификации
Материал пластин
AISI 304, AISI 316L, SMO 254, Titan, C-276 и другие
Регулируемая среда (теплоноситель)
вода, пар, углеводороды, кислоты, пищевые жидкости и другие
Теплообменник Ридан НН№04 имеет диаметр присоединения 32 мм (ответные фланцы поставляются в комплекте), и может включать от 5 до 90 пластин. При площади одной пластины в 0,04 м² максимальная площадь теплообмена для типа НН№04 составит 3,7 м².

Документация
Документация
Сертификаты
Популярные товары
Ридан TR 84 013G7084R — Термостатический элемент со встроенным температурным датчиком13 144,27 T
Ридан TR 70 013G7070R — Термостатический элемент со встроенным температурным датчиком12 605,81 T
Ридан 013G7086R — Термоэлемент TR 86 с выносным датчиком температуры для клапанов TR-N/TR-G22 418,28 TПомощь
+7-705-510-96-05
Отдел продаж
Если у вас возникли вопросы при оформлении заказа, подбору оборудования или сервисному обслуживанию, обратитесь по указанным контактам.





