КАТАЛОГ ТОВАРОВ
Тепловая автоматика
Холодильная техника
Промышленная автоматика
Теплый пол и снеготаяние
Коттеджная автоматика
Системы водоснабжения
КОНФИГУРАТОРЫ
0
Товары в корзине
корзина пуста
0КорзинаПусто0 T
Товары в корзине
корзина пуста

Теплообменник НН№12М ДУ 50 31-72 пластин

Поделиться
Характеристики
Рабочая температура среды, °C:
от -25 до +180
Материал прокладки:
EPDM, Nitril, Viton и их модификации
Материал пластин:
AISI 304, AISI 316L, SMO 254, Titan, C-276 и другие
Регулируемая среда (теплоноситель):
вода, пар, углеводороды, кислоты, пищевые жидкости и другие
№ рамы:
2
Рабочее давление, бар изб.:
до 25
Диапазон нагрузок, кВт:
401 — 500
Смотреть все
Типоряды с ДУ 50
от 566 724 T
без НДС


Заявка на консультацию

×

Ограничение для загрузки - 1 файл.

Не больше 5 мб

Характеристики
Рабочая температура среды, °C
от -25 до +180
Материал прокладки
EPDM, Nitril, Viton и их модификации
Материал пластин
AISI 304, AISI 316L, SMO 254, Titan, C-276 и другие
Регулируемая среда (теплоноситель)
вода, пар, углеводороды, кислоты, пищевые жидкости и другие
№ рамы
2
Рабочее давление, бар изб.
до 25
Диапазон нагрузок, кВт
401 — 500
Расчетное давление, МПа
1,6
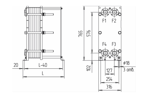
Габаритные размеры (ШхВхГ), мм
316х765х575
Макс. масса, кг
148
Стяжные шпильки (размер)
М16
Стяжные шпильки (кол-во), шт
8
Количество пластин
31-72
Помощь
+7-705-510-96-05
Отдел продаж
Если у вас возникли вопросы при оформлении заказа, подбору оборудования или сервисному обслуживанию, обратитесь по указанным контактам.

Запросить счет

×

Ограничение для загрузки - 1 файл.

Не больше 5 мб

Мы используем файлы cookie, чтобы сайт был лучше для вас.

Запросить счет

×

Ограничение для загрузки - 1 файл.

Не больше 5 мб