Теплообменник НН№19 ДУ 65 76-105 пластин 1,0 МПа
Характеристики
Рабочая температура среды, °C:
от -25 до +180
Материал прокладки:
EPDM, Nitril, Viton и их модификации
Материал пластин:
AISI 304, AISI 316L, SMO 254, Titan, C-276 и другие
Регулируемая среда (теплоноситель):
вода, пар, углеводороды, кислоты, пищевые жидкости и другие
№ рамы:
5
Рабочее давление, бар изб.:
до 25
Диапазон нагрузок, кВт:
901 — 1000
Смотреть все
Нагрузка, кВт
от 1 119 366 T
без НДС
Заявка на консультацию
×Характеристики
Рабочая температура среды, °C
от -25 до +180
Материал прокладки
EPDM, Nitril, Viton и их модификации
Материал пластин
AISI 304, AISI 316L, SMO 254, Titan, C-276 и другие
Регулируемая среда (теплоноситель)
вода, пар, углеводороды, кислоты, пищевые жидкости и другие
№ рамы
5
Рабочее давление, бар изб.
до 25
Диапазон нагрузок, кВт
901 — 1000
Расчетное давление, МПа
1,0
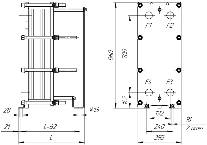
Габаритные размеры (ШхВхГ), мм
395х960х693
Макс. масса, кг
280/315
Стяжные шпильки (размер)
М20
Стяжные шпильки (кол-во), шт
8
Количество пластин
76-105
Популярные товары
Ридан 018F7351R — Катушка электромагнитная RR230AC, 230В переменный ток, 15BA, IP65Под заказ
Ридан 042N0156R — Штекер DIN43650 IP651 650 T
Ридан 060-121766R — Реле давления KPI 35R, диапазон настройки -0,2...7,5 бар, дифференциал 0,7…4 бар, штуцер G1/4А, автоматический сброс31 356 TПомощь
+7-705-510-96-05
Отдел продаж
Если у вас возникли вопросы при оформлении заказа, подбору оборудования или сервисному обслуживанию, обратитесь по указанным контактам.




