Теплообменник НН№41 ДУ 150 301-392 пластин 1,6 МПа
Характеристики
Рабочая температура среды, °C:
от -25 до +180
Материал прокладки:
EPDM, Nitril, Viton и их модификации
Материал пластин:
AISI 304, AISI 316L, SMO 254, Titan, C-276 и другие
Регулируемая среда (теплоноситель):
вода, пар, углеводороды, кислоты, пищевые жидкости и другие
№ рамы:
5
Рабочее давление, бар изб.:
до 25
Диапазон нагрузок, кВт:
5000 — 5499
Смотреть все
Нагрузка, кВт
от 8 633 846 T
без НДС
Заявка на консультацию
×Характеристики
Рабочая температура среды, °C
от -25 до +180
Материал прокладки
EPDM, Nitril, Viton и их модификации
Материал пластин
AISI 304, AISI 316L, SMO 254, Titan, C-276 и другие
Регулируемая среда (теплоноситель)
вода, пар, углеводороды, кислоты, пищевые жидкости и другие
№ рамы
5
Рабочее давление, бар изб.
до 25
Диапазон нагрузок, кВт
5000 — 5499
Расчетное давление, МПа
1,6
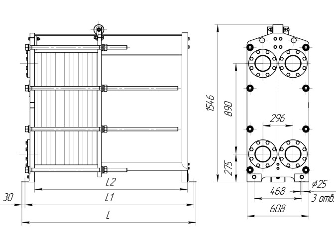
Габаритные размеры (ШхВхГ), мм
608х1546х2715
Макс. масса, кг
1640
Стяжные шпильки (размер)
М36
Стяжные шпильки (кол-во), шт
8
Количество пластин
301-392
Популярные товары
Ридан 018F7351R — Катушка электромагнитная RR230AC, 230В переменный ток, 15BA, IP65Под заказ
Ридан 042N0156R — Штекер DIN43650 IP651 650 T
Ридан 060-121766R — Реле давления KPI 35R, диапазон настройки -0,2...7,5 бар, дифференциал 0,7…4 бар, штуцер G1/4А, автоматический сброс31 356 TПомощь
+7-705-510-96-05
Отдел продаж
Если у вас возникли вопросы при оформлении заказа, подбору оборудования или сервисному обслуживанию, обратитесь по указанным контактам.




