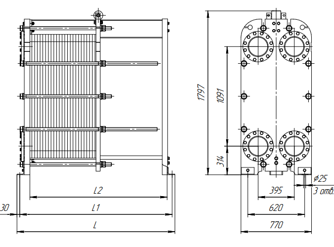
Теплообменник НН№65 ДУ 200 481-660 пластин 1,6 МПа
Характеристики
Рабочая температура среды, °C:
от -25 до +180
Материал прокладки:
EPDM, Nitril, Viton и их модификации
Материал пластин:
AISI 304, AISI 316L, SMO 254, Titan, C-276 и другие
Регулируемая среда (теплоноситель):
вода, пар, углеводороды, кислоты, пищевые жидкости и другие
№ рамы:
7
Рабочее давление, бар изб.:
до 25
Диапазон нагрузок, кВт:
10001 — 11500
Смотреть все
Нагрузка, кВт
5000 - 5499 кВт
5500 - 6000 кВт
6001 - 7000 кВт
7001 - 8000 кВт
8001 - 9000 кВт
9001 - 10000 кВт
10001 - 11500 кВт
от 22 011 042 T
без НДС
Заявка на консультацию
×Характеристики
Рабочая температура среды, °C
от -25 до +180
Материал прокладки
EPDM, Nitril, Viton и их модификации
Материал пластин
AISI 304, AISI 316L, SMO 254, Titan, C-276 и другие
Регулируемая среда (теплоноситель)
вода, пар, углеводороды, кислоты, пищевые жидкости и другие
№ рамы
7
Рабочее давление, бар изб.
до 25
Диапазон нагрузок, кВт
10001 — 11500
Расчетное давление, МПа
1,6
Габаритные размеры (ШхВхГ), мм
770х1797х4235
Макс. масса, кг
4610
Стяжные шпильки (размер)
М36
Стяжные шпильки (кол-во), шт
10
Количество пластин
481-660
Популярные товары
Ридан 018F7351R — Катушка электромагнитная RR230AC, 230В переменный ток, 15BA, IP65Под заказ
Ридан 042N0156R — Штекер DIN43650 IP651 650 T
Ридан 060-121766R — Реле давления KPI 35R, диапазон настройки -0,2...7,5 бар, дифференциал 0,7…4 бар, штуцер G1/4А, автоматический сброс31 356 TПомощь
+7-705-510-96-05
Отдел продаж
Если у вас возникли вопросы при оформлении заказа, подбору оборудования или сервисному обслуживанию, обратитесь по указанным контактам.




