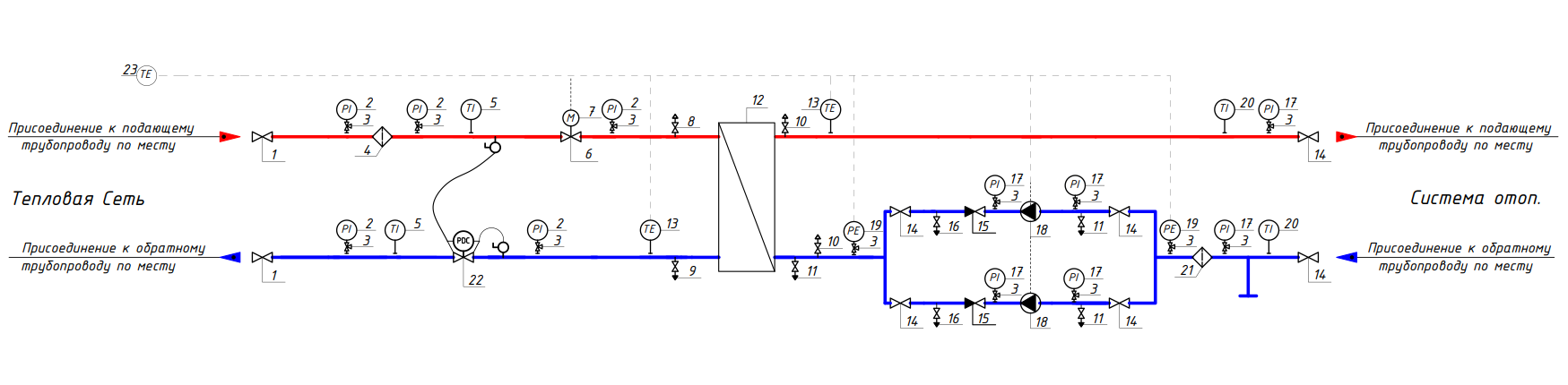
Ридан БТП-HS-ХХХ-YYY-P-R V2 - Стандартный узел управления системами отопления (вентиляции)
Стандартный тепловой пункт для независимой системы отопления (вентиляции) с двухходовым регулирующим клапаном, регулятором перепада давления и резервом насосов 2х100% для управления системами отопления и вентиляции
Характеристики
Диаметр блоков, Ду:
до 200
Перекачиваемая жидкость:
Вода, гликоль до 50%
Категории
Заявка на консультацию
×Характеристики
Диаметр блоков, Ду
до 200
Перекачиваемая жидкость
Вода, гликоль до 50%
Популярные товары
Ридан 018F7351R — Катушка электромагнитная RR230AC, 230В переменный ток, 15BA, IP6515 498 T
Ридан 042N0156R — Штекер DIN43650 IP651 650 T
Ридан 060-121766R — Реле давления KPI 35R, диапазон настройки -0,2...7,5 бар, дифференциал 0,7…4 бар, штуцер G1/4А, автоматический сброс31 356 TПомощь
+7-705-510-96-05
Отдел продаж
Если у вас возникли вопросы при оформлении заказа, подбору оборудования или сервисному обслуживанию, обратитесь по указанным контактам.
