Ваш город
Астана
✖
Астана ваш город?
Да
Выбрать другой город
Продукция
Конфигураторы
Конфигуратор ПТО
Конфигуратор БТП
Подбор регулирующего клапана и привода/регулятора прямого действия
Конфигуратор шкафов автоматизации
Подбор распределительного узла TDU
Конфигуратор ППТО
Подбор компрессора и обвязки холодильной машины
Подбор насосов Ридан
Конфигуратор насосных станций
Подбор контроллеров ECL
Конфигуратор HeatConfig
Расчет мощности отопительного прибора
Расчет мощности калорифера приточной установки
Плагин DCAD
Проектировщикам
Бонусная программа
Мероприятия
Прайс-лист
Решения
Реализованные проекты
Сервис и поддержка
О компании
Тепловая автоматика
Холодильная техника
Приводная техника
Промышленная автоматика
Новости
Блог
Где купить
Контакты
Личный кабинет
КАТАЛОГ ТОВАРОВ
Тепловая автоматика
Холодильная техника
Приводная техника
Промышленная автоматика
Теплый пол и снеготаяние
Насосное оборудование
Коттеджная автоматика
Системы водоснабжения
Тепловая автоматика
Насосы
Насосы циркуляционные с мокрым ротором RW Ридан
Насосы одноступенчатые вертикальные ин-лайн RV Ридан
Насосы вертикальные многоступенчатые RMV Ридан
Насосы горизонтальные многоступенчатые RMHI Ридан
Насосы циркуляционные с мокрым ротором и электронным регулированием RWE Ридан
Насосы погружные дренажные RD Ридан
смотреть все...
Чиллеры (холодильные машины)
Чиллеры с воздушным охлаждением конденсатора серии RCH
смотреть все...
Радиаторные терморегуляторы и клапаны
Термоэлектрические приводы
Термостатические элементы радиаторных терморегуляторов
Радиаторные клапаны
Комплекты терморегуляторов для систем отопления
Комнатные термостаты
Присоединительно-регулирующие гарнитуры
Гарнитуры для нижнего подключения
Запорно-присоединительные радиаторные клапаны
смотреть все...
Балансировочные клапаны для систем тепло- и холодоснабжения
Автоматические балансировочные клапаны
Ручные балансировочные клапаны
Фитинги присоединительные
Дополнительные принадлежности
Регуляторы температуры и давления прямого действия
смотреть все...
Клапаны и электроприводы
Клапаны регулирующие седельные
Приводы для регулирующих клапанов
Поворотные регулирующие клапаны и электроприводы к ним
Клапаны шаровые двухпозиционные
Аксессуары для регулирующих клапанов
смотреть все...
Пластинчатые теплообменники
Разборные теплообменники ПТО
Одноходовые паяные пластинчатые теплообменники
смотреть все...
Контроллеры и диспетчеризация
Контроллеры серии ECL
Датчики и реле для контроллеров ECL
Диспетчеризация
Вентиляция
смотреть все...
Насосные станции
Дренажная насосная станция
Насосные станции WaterJump тип FS
Насосные станции WaterJump тип PM
Насосные станции WaterJump тип CW и PW
смотреть все...
Блочные тепловые пункты
Коллекторы «Ридан» в составе БТП
Блочный тепловой пункт для управления системой отопления (вентиляции)
Блочный тепловой пункт для горячего водоснабжения (ГВС)
Блочный тепловой пункт для узлов ввода и учета тепловой энергии (УВ и УУТЭ)
смотреть все...
Коллекторы и распределительные узлы
Шкаф с индивидуальным узлом ввода ШКСО-1 Ридан
Узлы распределительные этажные для систем водоснабжения WDU.3R
Узлы распределительные этажные для систем отопления TDU-R Ридан
Квартирные станции ШКС Ридан
Коллекторы распределительные
смотреть все...
Шкафы автоматизации, диспетчеризации и учета
Шкафы управления насосами (ШУН) Ридан
смотреть все...
Учёт тепловой энергии
Программное обеспечение «Ридан» для учета энергоресурсов
Программный комплекс по расчету потребляемой тепловой энергии в жилых многоквартирных домах
Распределители INDIV
Квартирные приборы учёта
Коммерческий (Общедомовой) учет тепловой энергии
смотреть все...
Трубопроводная арматура
Предохранительные клапаны
Стальные краны запорно-регулирующие Ридан
Стальные краны шаровые запорные Ридан
Привод электрический АМВ для шаровых кранов RJIP Premium (Премиум)
Краны шаровые чугунные Ридан
Латунные краны шаровые запорные Ридан (код 065B83xxR)
Нержавеющие краны шаровые запорные Ридан
Затворы дисковые Ридан
Латунные обратные клапаны Ридан
Чугунные обратные клапаны/затворы Ридан
Нержавеющие обратные клапаны Ридан
Фильтры сетчатые Ридан ФСФ
Латунные фильтры сетчатые Ридан (код 065B82xxR)
Латунные фильтры сетчатые Ридан (код 065B83xxR)
Нержавеющие фильтры сетчатые Ридан
Воздухоотводчики Airvent-R (Вентиляция) Ридан (код 06583xxR)
Компенсаторы осевые сильфонные Ридан
Регуляторы давления Ридан
Клапаны редукционные Ридан
Гибкие вставки
смотреть все...
Узлы регулирования приточных установок
Узлы теплоснабжения с комбинированным клапаном AQT(F)-R
Узлы теплоснабжения с 3-ходовыми клапанами
Узлы холодоснабжения с 3-ходовыми клапанами
смотреть все...
Преобразователи частоты
Преобразователь частоты Ридан RF-51
Преобразователь частоты Ридан RF-101
смотреть все...
Холодильная техника
Полугерметичные компрессоры
Поршневые компрессоры
смотреть все...
Коммерческая холодильная автоматика
Клапаны-регуляторы давления
Запорные клапаны
Электромагнитные клапаны и катушки
Фильтры
Обратные клапаны
Терморегулирующие расширительные клапаны (ТРВ)
Электронные расширительные клапаны (ЭРВ)
Смотровые стекла
Реле давления
Реле протока
Регуляторы давления
смотреть все...
Электронные системы управления
Контроллеры температуры
Контроллеры испарителя
Контроллеры производительности
Контроллеры инженерных сетей
Системы мониторинга
Датчики газоанализации
Контроллеры программируемые
Регуляторы скорости вращения вентиляторов
Датчики температуры
Преобразователи давления
Контроллеры уровня
Аксессуары
смотреть все...
Спиральные компрессоры
Спиральные компрессоры для систем кондиционирования воздуха и тепловых насосов
Спиральные компрессоры для холодильных систем
смотреть все...
Теплообменное оборудование
Полусварные теплообменники типа HH№ xx WL
Пластинчатые паяные теплообменники типа BPHE
Микропластинчатые паяные теплообменники типа MPHE
Микроканальные воздушные теплообменники типа MCHE
смотреть все...
Промышленные холодильные компоненты
Промышленные запорные клапаны
Промышленные обратные клапаны
Сетчатые фильтры
Электромагнитные клапаны и катушки
Регуляторы давления и температуры
Предохранительные клапаны
Электроприводные клапаны
Контроль уровня жидкости
Запасные части и аксессуары
смотреть все...
Приводная техника
Преобразователи частоты Ридан
Преобразователь частоты Ридан RF-51
Преобразователь частоты Ридан RF-101
смотреть все...
Синус-фильтры Ридан
Синус-фильтры Ридан RSin
смотреть все...
Промышленная автоматика
Комплекты КИПиА
Комплект КИПиА для контроля работоспособности насосов
Комплект КИПиА для модуля ГВС
Комплект КИПиА для модуля отопления
Комплект КИПиА для вентиляции
Комплект КИПиА для подпитки
Комплект КИПиА для насосной станции
смотреть все...
Электромагнитные клапаны
EV210WR — двухпозиционные двухходовые электромагнитные клапаны прямого действия
EV225WR — двухпозиционные двухходовые электромагнитные клапаны для пара
EV220R — двухпозиционные двухходовые электромагнитные клапаны Ридан
EV225R — двухпозиционные двухходовые электромагнитные клапаны для пара Ридан
EV250R — двухпозиционные двухходовые электромагнитные клапаны с принудительным подъемом Ридан
EV210R — двухпозиционные двухходовые электромагнитные клапаны прямого действия Ридан
EV220WR — двухпозиционные двухходовые электромагнитные клапаны Ридан
EV220WR (65-100) — двухпозиционные двухходовые электромагнитные клапаны Ридан
EV252WR — двухпозиционные двухходовые электромагнитные клапаны с принудительным подъемом Ридан
EV214R — двухпозиционные двухходовые электромагнитные клапаны высокого давления Ридан
смотреть все...
Преобразователи давления
ADP2000R — преобразователи перепада давления
ADP110R — преобразователи перепада давления на воздух
MBS1700R — преобразователи (датчики) давления для промышленных применений Ридан
MBS1900R — преобразователи (датчики) давления для насосных станций Ридан
MBS1250R — преобразователи (датчики) давления для OEM производителей Ридан
MBS4003R — преобразователи (датчики) давления для систем водоснабжения Ридан
смотреть все...
Датчики температуры
MBT 3250R — термопреобразователи сопротивления платиновые
MBT 5250R — термопреобразователи сопротивления платиновые Ридан
MBT 3560R — термопреобразователи сопротивления с унифицированным выходным сигналом 4-20 мА Ридан
MBT 400R — термопреобразователи сопротивления для измерения температуры окружающей среды комнатные Ридан
MBT 3280 — канальные датчики температуры для систем вентиляции Ридан
MBT 3280R — канальные кабельные датчики температуры для систем вентиляции Ридан
MBT3281 — датчики температуры наружного воздуха (уличные) Ридан
MBT3380R — датчики температуры наружного воздуха (уличные) Ридан
MBT3281 — датчики температуры накладные Ридан
MBT3381R — датчики температуры накладные Ридан
MBT3281R — датчики температуры накладные кабельные Ридан
смотреть все...
Реле давления
RT362R — реле перепада давления
KPI 35R, 36R, 38R — реле давления для общепромышленного применения Ридан
RT262R — реле перепада давления Ридан
DP100 — реле перепада давления воздуха Ридан
смотреть все...
Реле температуры
KP_R — реле температуры с термобаллоном Ридан
KP61R — реле температуры (термостаты) защиты от замерзания Ридан
смотреть все...
Реле протока
FQS-R — реле протока
смотреть все...
Датчики влажности
RHS400R — датчики влажности канальные Ридан
RHS440R — датчики влажности и температуры канальные Ридан
RHS410R — датчики влажности комнатные Ридан
RHS450R — датчики влажности и температуры комнатные Ридан
RHS420R — датчики влажности уличные (настенные) Ридан
RHS460R — датчики влажности и температуры уличные (настенные) Ридан
смотреть все...
Датчики CO2
RCD200 — датчики (преобразователи) CO2 канальные Ридан
RCD210 — датчики (преобразователь) CO2 комнатные Ридан
RCD220 — датчики (преобразователи) CO2 комнатные с выходным сигналом по влажности и температуре Ридан
смотреть все...
Аксессуары
Ремкомплекты для электромагнитных клапанов EV
Катушки RR для электромагнитных клапанов EV210R, EV220R, EV225R, EV250R
Катушки RW для электромагнитных клапанов EV210WR, EV220WR, EV225WR, EV252WR
Катушки RH для электромагнитных клапанов EV214R
Катушки для электромагнитных клапанов EV Ридан
Гильзы для датчиков температуры MBT5250R и MBT3560R Ридан
Аксессуары для реле давления Ридан
Аксессуары для реле температуры Ридан
смотреть все...
Теплый пол и снеготаяние
Комплекты для теплого пола
Комплекты для теплого пола — нагревательный мат Ridan TF-150 с терморегулятором Ridan Twist
Комплекты для теплого пола — нагревательный мат Ridan TF-150 с терморегулятором Ridan Clever
Комплекты для теплого пола — нагревательный мат Ridan TF-200 с терморегулятором Ridan Twist
Комплекты для теплого пола — нагревательный мат Ridan TF-200 с терморегулятором Ridan Clever
смотреть все...
Нагревательные маты
Нагревательный мат Ridan Comfort Mat-150 (Комфорт Мат-150)
Нагревательный мат Ridan TF-150
Нагревательный мат Ridan TF-200
смотреть все...
Нагревательные кабели
Ridan Flex-18 (Флекс-18) — двухжильный нагревательный кабель для системы «теплый пол»
Ridan Flex-10 (Флекс-10) — двухжильный нагревательный кабель для системы «теплый пол»
Саморегулирующийся нагревательный кабель Ridan Iceguard-18 (Т) (Защита от обледенения)
Саморегулирующийся нагревательный кабель Ridan Pipeguard-25 (Т) (Обогрев труб)
Саморегулирующийся нагревательный кабель Ridan Pipeguard-33 (Т) (Обогрев труб)
Саморегулирующийся нагревательный кабель Ridan Pipeguard-40 (Т) (Обогрев труб)
Ridan Snow-30 (Сноу-30) — двухжильный нагревательный кабель для системы антиобледенения
Саморегулирующийся нагревательный кабель Ridan Pipeheat-15 (Обогрев труб) с вилкой
Саморегулирующийся нагревательный кабель Ridan Pipeheat-15 (В) (Обогрев труб)
Саморегулирующийся нагревательный кабель Ridan Iceguard-18 (В) (Защита от обледенения)
Саморегулирующийся нагревательный кабель Ridan Iceguard-18 (С) (Защита от обледенения)
Саморегулирующийся нагревательный кабель Ridan Pipeguard-25 (С) (Обогрев труб)
Саморегулирующийся нагревательный кабель Ridan Pipeguard-33 (С) (Обогрев труб)
Саморегулирующийся нагревательный кабель Ridan Pipeguard-33 (В) (Обогрев труб)
смотреть все...
Терморегуляторы
Терморегулятор Ридан Compact (Компакт)
Электронный терморегулятор Base (Базовая серия)
Терморегулятор Ридан Meteo (Метео) 850R
Терморегулятор Ридан Meteo (Метео) 850RG
Программируемый терморегулятор Ridan Classy (Класси)
Электронный терморегулятор Ridan Room (комнатный)
Терморегулятор Ridan Twist (Твист)
Терморегулятор Ridan Сlever (Клевер)
Терморегулятор Ридан Multi (Мульти)
смотреть все...
Температурные датчики
Датчики температуры RT
Датчики температуры Ridan
Датчик температуры воздуха наружной установки Ridan
Датчик температуры на проводе
Датчик температуры воздуха в помещении
Датчик температуры наружного воздуха
смотреть все...
Дополнительные принадлежности
Ремонтные наборы (ДЕВИ)
Крепления для кабелей (Ridan)
Коробки распределительные Ridan
Ремонтные наборы для кабелей (Ridan)
смотреть все...
Насосное оборудование
Насосы
Насосы одноступенчатые горизонтальные RH
Насосы одноступенчатые горизонтальные RHK
смотреть все...
Насосные станции
Насосные станции WaterJump тип FS
Насосные станции WaterJump тип PM
смотреть все...
Узел учета огнетушащего вещества
Дренажная насосная станция
Насосы циркуляционные с мокрым ротором и электронным регулированием RWE Ридан
Насосы погружные дренажные RD Ридан
Насосы циркуляционные с мокрым ротором RW Ридан
Насосы одноступенчатые вертикальные ин-лайн RV Ридан
Насосы вертикальные многоступенчатые RMV Ридан
Насосные станции WaterJump тип CW и PW
Насосы горизонтальные многоступенчатые RMHI Ридан
Коттеджная автоматика
Коллекторные группы
Коллекторные группы с заглушками для радиаторного отопления FHF-R Ридан
Коллекторные группы с расходомерами для теплого пола FHF-RF Ридан
Коллекторные группы с заглушками для радиаторного отопления SSM-R Ридан
Коллекторные группы с расходомерами для теплого пола SSM-RF Ридан
Аксессуары для коллекторов Ридан
смотреть все...
Узлы смешения для теплого пола Ридан
Комнатные термостаты
Электронные комнатные термостаты RSmart (РСмарт) Ридан
Электронные комнатные термостаты WT-R Ридан
Электронные комнатные термостаты WT-RB Ридан
Беспроводные электронные комнатные термостаты Ридан
Электронные термостаты для конвекторов Greencon-R (Гринкон-Р) Ридан
Электронный радиаторный термостат Ridan SmartHeat (Умное управление теплом)
Коммутационная панель и датчики температуры пола Ридан
смотреть все...
Термоэлектрические приводы
Термоэлектрические приводы TWA-KR Ридан
Термоэлектрические приводы TWA-AR Ридан
смотреть все...
Системы водоснабжения
Арматура для внутренних распределительных систем водоснабжения
Квартирные приборы учета
Латунные краны шаровые запорные Ридан (код 065B83xxR)
Нержавеющие краны шаровые запорные Ридан
Латунные обратные клапаны Ридан
Латунные фильтры сетчатые Ридан (код 065B83xxR)
Нержавеющие фильтры сетчатые Ридан
Клапаны редукционные Ридан
Компенсаторы осевые сильфонные
Узлы распределительные этажные для систем водоснабжения WDU.3R Ридан
Квартирная станция ШКСВ-1Р для систем водоснабжения Ридан
Совмещенная квартирная станция ШКСОВ-1Р для систем отопления и водоснабжения Ридан
Термостатический балансировочный клапан AHT-R Ридан
смотреть все...
Арматура для наружных сетей водоснабжения
Регуляторы давления Ридан
смотреть все...
Насосное оборудование
Насосы
Насосные станции
смотреть все...
Арматура для общедомовых систем
Краны шаровые чугунные Ридан
Затворы дисковые Ридан
Чугунные обратные клапаны/затворы Ридан
Чугунные фильтры сетчатые Ридан
Гибкие вставки
смотреть все...
КОНФИГУРАТОРЫ
Избранное
0
Сравнение
0
Просмотренные
0
0
Товары в корзине
Итого:
0 T
Оформить заказ
корзина пуста
КАТАЛОГ ТОВАРОВ
Личный кабинет
Избранное
0
Сравнение
0
Просмотренные
0
Корзина пуста
0 T
0
Товары в корзине
Итого:
0 T
Оформить заказ
корзина пуста
Меню
Ваш город
Астана
✖
Астана ваш город?
Да
Выбрать другой город
Русский
Английский
+7-705-510-96-05
Связаться с нами
+7-705-510-96-05
Режим работы клиентского сервиса:
Пн-Пт 9:00—18:00;
Сб-Вс выходные дни
Каталог товаров
Каталог товаров
Тепловая автоматика
Тепловая автоматика
Все тепловая автоматика
Насосы
Насосы
Все насосы
Насосы циркуляционные с мокрым ротором RW Ридан
Насосы одноступенчатые вертикальные ин-лайн RV Ридан
Насосы вертикальные многоступенчатые RMV Ридан
Насосы горизонтальные многоступенчатые RMHI Ридан
Насосы циркуляционные с мокрым ротором и электронным регулированием RWE Ридан
Насосы погружные дренажные RD Ридан
Чиллеры (холодильные машины)
Чиллеры (холодильные машины)
Все чиллеры (холодильные машины)
Чиллеры с воздушным охлаждением конденсатора серии RCH
Радиаторные терморегуляторы и клапаны
Радиаторные терморегуляторы и клапаны
Все радиаторные терморегуляторы и клапаны
Термоэлектрические приводы
Термоэлектрические приводы
Все термоэлектрические приводы
Термоэлектрические приводы TWA-KR Ридан
Термоэлектрические приводы TWA-AR Ридан
Термостатические элементы радиаторных терморегуляторов
Термостатические элементы радиаторных терморегуляторов
Все термостатические элементы радиаторных терморегуляторов
Термостатические элементы Ридан серии TR 9000 Ultra (Ультра)
Термостатические элементы серии TR 8000 Ридан
Термостатические элементы серии TR Ридан
Радиаторные клапаны
Радиаторные клапаны
Все радиаторные клапаны
Клапан TR-G RA для однотрубной насосной системы отопления Ридан
Клапан TR-N для двухтрубной насосной системы отопления Ридан
Клапан TR-G для однотрубной насосной системы отопления Ридан М30х1,5
Принадлежности для клапанов терморегуляторов Ридан
Комплекты терморегуляторов для систем отопления
Комплекты терморегуляторов для систем отопления
Все комплекты терморегуляторов для систем отопления
Комплекты для однотрубной системы отопления
Комплекты для двухтрубной системы отопления
Комплекты для нижнего подключения
Комплект TR-G/TR 9000 Ultra (Ультра) для однотрубной системы отопления Ридан
Комплект TR-N/TR 9001 Ultra (Ультра) для двухтрубной системы отопления Ридан
Комплект LV-KB/TR 9001 Ultra (Ультра) для радиаторов с нижним подключением Ридан
Комплект TR-G/TR 84 для однотрубной системы отопления Ридан
Комплект TR-N/TR 84 для двухтрубной системы отопления Ридан
Комплект LV-KB/TR 84 для радиаторов с нижним подключением Ридан
Комнатные термостаты
Комнатные термостаты
Все комнатные термостаты
Электронные комнатные термостаты RSmart (РСмарт) Ридан
Электронные комнатные термостаты WT-R Ридан
Электронные комнатные термостаты WT-RB Ридан
Беспроводные электронные комнатные термостаты Ридан
Электронные термостаты для конвекторов Greencon-R (Гринкон-Р) Ридан
Электронный радиаторный термостат Ridan SmartHeat (Интеллектуальное управление теплом)
Коммутационная панель и датчики температуры пола Ридан
Присоединительно-регулирующие гарнитуры
Присоединительно-регулирующие гарнитуры
Все присоединительно-регулирующие гарнитуры
Гарнитуры присоединительно-регулирующие TR-K
Гарнитуры для нижнего подключения
Гарнитуры для нижнего подключения
Все гарнитуры для нижнего подключения
Клапаны LV-KB для нижнего присоединения к радиатору Ридан (актуальная серия)
Клапаны LV-KB для нижнего присоединения к радиатору Ридан
Запорно-присоединительные радиаторные клапаны
Запорно-присоединительные радиаторные клапаны
Все запорно-присоединительные радиаторные клапаны
Клапан LV для бокового присоединения к радиатору Ридан
Балансировочные клапаны для систем тепло- и холодоснабжения
Балансировочные клапаны для систем тепло- и холодоснабжения
Все балансировочные клапаны для систем тепло- и холодоснабжения
Автоматические балансировочные клапаны
Автоматические балансировочные клапаны
Все автоматические балансировочные клапаны
Автоматический комбинированный клапан APQT с наружной резьбой Ридан
Комбинированный балансировочный клапан AQT-R3 Ридан
Комбинированный балансировочный клапан AQT-R DN 15-32 Ридан
Комбинированный балансировочный клапан AQT-R DN 40-50 Ридан
Электрические приводы AME 110 NLXR для клапанов AQT-R DN 15-32 Ридан
Регулятор перепада давления APT-R с наружной резьбой Ридан
Регулятор перепада давления APT-R3 Ридан
Термостатический балансировочный клапан AHT-R Ридан
Комбинированный балансировочный клапан AQF-R Ридан
Электрические приводы AME…QFR для клапанов AQF-R Ридан
Термоэлектрические приводы TWA-QR Ридан
Ручные балансировочные клапаны
Ручные балансировочные клапаны
Все ручные балансировочные клапаны
Ручной балансировочный клапан MVT-R2 Ридан
Ручной балансировочный клапан Ридан MNF-R2 с фланцевым присоединением
Ручной балансировочный клапан MVT-R Ридан
Ручной балансировочный клапан MVT-R LF Ридан
Ручной балансировочный клапан MNT-R Ридан
Ручной балансировочный клапан MNF-R Ридан с фланцевым присоединением
Измерительный прибор T650
Фитинги присоединительные
Фитинги присоединительные
Все фитинги присоединительные
Резьбовые присоединительные фитинги для клапанов с наружной резьбой AQT-R3/APQT
Резьбовые присоединительные фитинги для клапанов с наружной резьбой Ридан
Дополнительные принадлежности
Дополнительные принадлежности
Все дополнительные принадлежности
Дополнительные принадлежности и запасные части Ридан
Регуляторы температуры и давления прямого действия
Регуляторы температуры и давления прямого действия
Все регуляторы температуры и давления прямого действия
Комплекты регуляторов температуры и давления прямого действия
Регулирующие клапаны для регуляторов давления, перепада давления, расхода и температуры большой серии
Регулирующие клапаны для регуляторов давления, перепада давления, расхода и температуры большой серии
Все регулирующие клапаны для регуляторов давления, перепада давления, расхода и температуры большой серии
Клапан универсальный VFG-2R фланцевый Ридан
Регуляторы перепада давления
Регуляторы перепада давления
Все регуляторы перепада давления
Регулятор перепада давления AFP-R/VFG-2R Ридан
Регуляторы давления «до себя» (регулятор подпора)
Регуляторы давления «до себя» (регулятор подпора)
Все регуляторы давления «до себя» (регулятор подпора)
Регулятор давления AFA-R/VFG-2R «до себя» Ридан
Регуляторы давления «после себя»
Регуляторы давления «после себя»
Все регуляторы давления «после себя»
Регулятор давления AFD-R/VFG-2R «после себя» Ридан
Регуляторы перепуска
Регуляторы перепуска
Все регуляторы перепуска
Регулятор перепуска AFPA-R /VFG-2R Ридан
Регуляторы температуры комбинированные
Регуляторы температуры комбинированные
Все регуляторы температуры комбинированные
Регулятор температуры AFT-R/VFG-2R Ридан
Принадлежности к гидравлическим регуляторам Ридан
Принадлежности к гидравлическим регуляторам Ридан
Все принадлежности к гидравлическим регуляторам ридан
Дополнительные принадлежности к гидравлическим регуляторам Ридан
Охладитель импульса давления
Клапаны и электроприводы
Клапаны и электроприводы
Все клапаны и электроприводы
Клапаны регулирующие седельные
Клапаны регулирующие седельные
Все клапаны регулирующие седельные
Клапаны регулирующие седельные VZL-2R/3R/4R
Клапан регулирующий VFM-2R фланцевый Ридан
Клапан регулирующий VFS-2R фланцевый Ридан
Клапан регулирующий VF-2R фланцевый Ридан
Клапан регулирующий VF-3R фланцевый Ридан
Клапан регулирующий VRB-2R с внутренней резьбой Ридан
Клапан регулирующий VRB-3R с внутренней резьбой Ридан
Приводы для регулирующих клапанов
Приводы для регулирующих клапанов
Все приводы для регулирующих клапанов
Редукторные электроприводы с трехпозиционным управлением Ридан
Редукторные электроприводы с аналоговым управлением Ридан
Поворотные регулирующие клапаны и электроприводы к ним
Поворотные регулирующие клапаны и электроприводы к ним
Все поворотные регулирующие клапаны и электроприводы к ним
Электроприводы серии AMВ для поворотных регулирующих клапанов Ридан
Клапан регулирующий HFE-3R фланцевый Ридан
Клапан регулирующий поворотный HRB-3R Ридан
Клапаны шаровые двухпозиционные
Клапаны шаровые двухпозиционные
Все клапаны шаровые двухпозиционные
Клапаны двухпозиционные шаровые с электроприводом AMZ 112 — проходной, AMZ 113 — трехходовой Ридан
Аксессуары для регулирующих клапанов
Аксессуары для регулирующих клапанов
Все аксессуары для регулирующих клапанов
Принадлежности для регулирующих клапанов Ридан
Пластинчатые теплообменники
Пластинчатые теплообменники
Все пластинчатые теплообменники
Разборные теплообменники ПТО
Разборные теплообменники ПТО
Все разборные теплообменники пто
Теплообменник НН№04 ДУ 32
Теплообменник НН№06М ДУ 32
Теплообменник НН№07 ДУ 50
Теплообменник НН№08 ДУ 32
Теплообменник НН№12М ДУ 50
Теплообменник НН№14 ДУ 50
Теплообменник НН№19 ДУ 65
Теплообменник НН№20 ДУ 50
Теплообменник НН№21 ДУ 100
Теплообменник НН№41 ДУ 150
Теплообменник НН№43 ДУ 200
Теплообменник НН№47 ДУ 100
Теплообменник НН№62 ДУ 150
Теплообменник НН№65 ДУ 200
Теплообменник НН№81 ДУ 300
Теплообменник НН№86 ДУ 150
Теплообменник НН№100 ДУ 200
Теплообменник НН№113 ДУ 250
Одноходовые паяные пластинчатые теплообменники
Одноходовые паяные пластинчатые теплообменники
Все одноходовые паяные пластинчатые теплообменники
Паяный пластинчатый теплообменник одноходовой XB-26R Ридан
Паяный пластинчатый теплообменник одноходовой XB-25R Ридан
Паяный пластинчатый теплообменник одноходовой XB-30R Ридан
Паяный пластинчатый теплообменник одноходовой XB-60R Ридан
Паяный пластинчатый теплообменник одноходовой XB-95R Ридан
Паяный пластинчатый теплообменник одноходовой XB-120R Ридан
Контроллеры и диспетчеризация
Контроллеры и диспетчеризация
Все контроллеры и диспетчеризация
Контроллеры серии ECL
Контроллеры серии ECL
Все контроллеры серии ecl
Контроллеры серии ECL4 Control (Контроль) Ридан
Контроллеры серии ECL-3R Ридан
Датчики и реле для контроллеров ECL
Датчики и реле для контроллеров ECL
Все датчики и реле для контроллеров ecl
Датчики для контроллеров серии ECL Ридан
Диспетчеризация
Диспетчеризация
Все диспетчеризация
Диспетчеризация Ридан Клауд (Cloud-Control)
Диспетчеризация ECL Connect (Система подключения)
Вентиляция
Насосные станции
Насосные станции
Все насосные станции
Дренажная насосная станция
Насосные станции WaterJump тип FS
Насосные станции WaterJump тип PM
Насосные станции WaterJump тип CW и PW
Блочные тепловые пункты
Блочные тепловые пункты
Все блочные тепловые пункты
Коллекторы «Ридан» в составе БТП
Блочный тепловой пункт для управления системой отопления (вентиляции)
Блочный тепловой пункт для управления системой отопления (вентиляции)
Все блочный тепловой пункт для управления системой отопления (вентиляции)
Узел подпитки "Ридан" в составе БТП для отопления(вентиляции)
БТП для системы отопления (вентиляции) при независимой схеме присоединения
БТП для системы отопления (вентиляции) при зависимой схеме присоединения
Блочный тепловой пункт для горячего водоснабжения (ГВС)
Блочный тепловой пункт для горячего водоснабжения (ГВС)
Все блочный тепловой пункт для горячего водоснабжения (гвс)
БТП с двухступенчатой схемой ГВС (моноблок)
БТП с двухступенчатой схемой ГВС (две раздельные ступени)
БТП с одноступенчатой схемой ГВС
Блочный тепловой пункт для узлов ввода и учета тепловой энергии (УВ и УУТЭ)
Коллекторы и распределительные узлы
Коллекторы и распределительные узлы
Все коллекторы и распределительные узлы
Шкаф с индивидуальным узлом ввода ШКСО-1 Ридан
Узлы распределительные этажные для систем водоснабжения WDU.3R
Узлы распределительные этажные для систем водоснабжения WDU.3R
Все узлы распределительные этажные для систем водоснабжения wdu.3r
Узлы распределительные этажные для систем водоснабжения WDU.3R Ридан (коллекторы из нержавеющей стали)
Узлы распределительные этажные для систем водоснабжения WDU.3R Ридан (коллекторы из латуни)
Узлы распределительные этажные для систем отопления TDU-R Ридан
Узлы распределительные этажные для систем отопления TDU-R Ридан
Все узлы распределительные этажные для систем отопления tdu-r ридан
Узел распределительный этажный TDU.7R Ридан
Узел распределительный этажный TDU.3R Ридан
Узел распределительный этажный TDU.5R Ридан
Квартирные станции ШКС Ридан
Квартирные станции ШКС Ридан
Все квартирные станции шкс ридан
Квартирная станция ШКСВ-1Р для систем водоснабжения
Квартирная станция ШКСО-1Р для систем отопления (с клапаном APT-R)
Квартирная станция ШКСО-1Р для систем отопления (с клапаном APQT)
Совмещенная квартирная станция ШКСОВ-1Р для систем отопления и водоснабжения
Квартирная станция ШКСО-1Р для систем отопления (архив)
Совмещенная квартирная станция ШКСОВ-1Р для систем отопления и водоснабжения (архив)
Коллекторы распределительные
Коллекторы распределительные
Все коллекторы распределительные
Коллекторные группы с заглушками для радиаторного отопления FHF-R Ридан
Коллекторные группы с расходомерами для теплого пола FHF-RF Ридан
Коллекторные группы с заглушками для радиаторного отопления SSM-R Ридан
Коллекторные группы с расходомерами для теплого пола SSM-RF Ридан
Коллекторы распределительные для квартирных систем отопления
Аксессуары для коллекторов Ридан
Шкафы автоматизации, диспетчеризации и учета
Шкафы автоматизации, диспетчеризации и учета
Все шкафы автоматизации, диспетчеризации и учета
Шкафы управления насосами (ШУН) Ридан
Учёт тепловой энергии
Учёт тепловой энергии
Все учёт тепловой энергии
Программное обеспечение «Ридан» для учета энергоресурсов
Программное обеспечение «Ридан» для учета энергоресурсов
Все программное обеспечение «ридан» для учета энергоресурсов
Расширенная программа для учета энергоресурсов «Ридан Измерения»
Программный комплекс по расчету потребляемой тепловой энергии в жилых многоквартирных домах
Распределители INDIV
Распределители INDIV
Все распределители indiv
Распределитель INDIV-X-10RG, INDIV-X-10RTG Ридан
Распределитель INDIV-X-10T Ридан
Распределитель INDIV-RV Ридан
Компоненты системы сбора показаний Ридан
Крепления для распределителей INDIV Ридан
Квартирные приборы учёта
Квартирные приборы учёта
Все квартирные приборы учёта
Тепло/холодосчётчики RUT-01 Ридан
Тепло/холодосчётчики РУТ-01 Ридан
Квартирные счетчики воды Ридан СГВ
Компоненты систем диспетчеризации Ридан
Аксессуары Ридан
Коммерческий (Общедомовой) учет тепловой энергии
Коммерческий (Общедомовой) учет тепловой энергии
Все коммерческий (общедомовой) учет тепловой энергии
Тепловычислители ТВ7М и аксессуары Ридан
Расходомеры Питерфлоу РС Ридан
Преобразователи температуры КТС-Б Ридан
Преобразователи давления Ридан
Трубопроводная арматура
Трубопроводная арматура
Все трубопроводная арматура
Предохранительные клапаны
Предохранительные клапаны
Все предохранительные клапаны
Предохранительные клапаны RSV
Стальные краны запорно-регулирующие Ридан
Стальные краны запорно-регулирующие Ридан
Все стальные краны запорно-регулирующие ридан
Стальные запорно-регулирующие краны RJIP BaBV3 Ридан
Стальные краны шаровые запорные Ридан
Стальные краны шаровые запорные Ридан
Все стальные краны шаровые запорные ридан
Стальные шаровые краны RJiP Premium (Премиум) со стандартным проходом Ридан
Стальные шаровые краны RJIP Premium (Премиум) с полным проходом
Стальные шаровые краны RJiP Standard (Стандарт) со стандартным проходом Ридан
Привод электрический АМВ для шаровых кранов RJIP Premium (Премиум)
Привод электрический АМВ для шаровых кранов RJIP Premium (Премиум)
Все привод электрический амв для шаровых кранов rjip premium (премиум)
Привод электрический АМВ без блока управления, напряжение питания 380В
Привод электрический АМВ с блоком управления, напряжение питания 380В
Привод электрический АМВ, напряжение питания 220В
Краны шаровые чугунные Ридан
Краны шаровые чугунные Ридан
Все краны шаровые чугунные ридан
Краны шаровые чугунные полнопроходные КШЧ Ридан
Латунные краны шаровые запорные Ридан (код 065B83xxR)
Латунные краны шаровые запорные Ридан (код 065B83xxR)
Все латунные краны шаровые запорные ридан (код 065b83xxr)
Шаровые краны BVR-R ГОСТ
Шаровые краны BVR-DR ГОСТ
Шаровые краны BVR-CR ГОСТ
Шаровые краны BVR-FR ГОСТ
Шаровые краны BVR-R Ридан
Шаровые краны BVR-DR Ридан
Шаровые краны BVR-СR Ридан
Шаровые краны BVR-FR Ридан
Нержавеющие краны шаровые запорные Ридан
Нержавеющие краны шаровые запорные Ридан
Все нержавеющие краны шаровые запорные ридан
Нержавеющие шаровые краны BVS-R Ридан
Нержавеющие шаровые краны BVS-FR Ридан
Затворы дисковые Ридан
Затворы дисковые Ридан
Все затворы дисковые ридан
Затворы дисковые ЗДМ PN16 с рукояткой, корпус с центрирующими проушинами
Затворы дисковые ЗДМ PN25 с рукояткой, корпус с центрирующими проушинами
Затворы дисковые ЗДМ PN16 с ручным редукторным приводом, корпус с центрирующими проушинами
Затворы дисковые ЗДМ PN25 с ручным редукторным приводом, корпус с центрирующими проушинами
Затворы дисковые ЗДМ с электрическим приводом, корпус с центрирующими проушинами
Затворы дисковые ЗДМ PN16 с рукояткой, корпус с резьбовыми проушинами
Затворы дисковые ЗДМ PN25 с рукояткой, корпус с резьбовыми проушинами
Затворы дисковые ЗДМ PN16 с ручным редукторным приводом, корпус с резьбовыми проушинами
Затворы дисковые ЗДМ PN25 с ручным редукторным приводом, корпус с резьбовыми проушинами
Затворы дисковые ЗДМ с электрическим приводом, корпус с резьбовыми проушинами
Затворы дисковые стальные ЗДМ 2WH PN25 с рукояткой
Затворы дисковые стальные ЗДМ 2WG PN25 с ручным редукторным приводом
Латунные обратные клапаны Ридан
Латунные обратные клапаны Ридан
Все латунные обратные клапаны ридан
Обратный клапан NRV-R Ридан
Обратный клапан NRV-R Ридан (код 065B83XXR)
Чугунные обратные клапаны/затворы Ридан
Чугунные обратные клапаны/затворы Ридан
Все чугунные обратные клапаны/затворы ридан
Обратный клапан NVD-402R Ридан
Обратный клапан пружинный NVD-802R Ридан
Обратный затвор двустворчатый ЗОД Ридан
Затвор обратный NVD-895R Ридан
Нержавеющие обратные клапаны Ридан
Нержавеющие обратные клапаны Ридан
Все нержавеющие обратные клапаны ридан
Обратный клапан пружинный NVD-812R Ридан
Фильтры сетчатые Ридан ФСФ
Фильтры сетчатые Ридан ФСФ
Все фильтры сетчатые ридан фсф
Фильтр сетчатый Ридан ФСФ PN16 чугунный
Фильтр сетчатый Ридан ФСФ PN25 стальной
Магнитные вставки для фильтров сетчатых РИДАН тип ФСФ
Латунные фильтры сетчатые Ридан (код 065B82xxR)
Латунные фильтры сетчатые Ридан (код 065B82xxR)
Все латунные фильтры сетчатые ридан (код 065b82xxr)
Латунный сетчатый фильтр FVR-DR Ридан
Латунный сетчатый фильтр FVR-R Ридан
Дополнительные принадлежности для FVR-R/FVR-DR Ридан
Латунные фильтры сетчатые Ридан (код 065B83xxR)
Латунные фильтры сетчатые Ридан (код 065B83xxR)
Все латунные фильтры сетчатые ридан (код 065b83xxr)
Латунный фильтр сетчатый FVR-DR Ридан
Латунный фильтр сетчатый FVR-R Ридан
Нержавеющие фильтры сетчатые Ридан
Нержавеющие фильтры сетчатые Ридан
Все нержавеющие фильтры сетчатые ридан
Фильтр сетчатый FVS-R Ридан
Воздухоотводчики Airvent-R (Вентиляция) Ридан (код 06583xxR)
Воздухоотводчики Airvent-R (Вентиляция) Ридан (код 06583xxR)
Все воздухоотводчики airvent-r (вентиляция) ридан (код 06583xxr)
Airvent-R (Вентиляция) с обратным клапаном Ридан
Airvent-R (Вентиляция) без обратного клапана Ридан
Компенсаторы осевые сильфонные Ридан
Компенсаторы осевые сильфонные Ридан
Все компенсаторы осевые сильфонные ридан
Осевые сильфонные компенсаторы Ридан с защитным кожухом, под приварку
Осевые сильфонные компенсаторы Ридан без защитного кожуха, под приварку
Осевые сильфонные компенсаторы Ридан НС с защитным кожухом, внешняя резьба
Осевые сильфонные компенсаторы Ридан НС без защитного кожуха, внешняя резьба
Осевые сильфонные компенсаторы Ридан НС с защитным кожухом, фланцевые
Осевые сильфонные компенсаторы Ридан НС с защитным кожухом, грувлок
Регуляторы давления Ридан
Регуляторы давления Ридан
Все регуляторы давления ридан
Регулятор давления С101-R Ридан
Регулятор давления С301-R Ридан
Клапаны редукционные Ридан
Клапаны редукционные Ридан
Все клапаны редукционные ридан
Клапан редукционный РД-01 Ридан
Клапан редукционный 7biz (7биз) Ридан
Гибкие вставки
Гибкие вставки
Все гибкие вставки
Гибкие антивибрационные вставки ZKV Ридан
Контрольные стержни ZKV Ридан
Узлы регулирования приточных установок
Узлы регулирования приточных установок
Все узлы регулирования приточных установок
Узлы теплоснабжения с комбинированным клапаном AQT(F)-R
Узлы теплоснабжения с 3-ходовыми клапанами
Узлы теплоснабжения с 3-ходовыми клапанами
Все узлы теплоснабжения с 3-ходовыми клапанами
Узлы АУУ-Т с термоманометрами Ридан
Узлы АУУ-Т без термоманометров Ридан
Узлы холодоснабжения с 3-ходовыми клапанами
Узлы холодоснабжения с 3-ходовыми клапанами
Все узлы холодоснабжения с 3-ходовыми клапанами
Узлы АУУ-Х с термоманометрами Ридан
Узлы АУУ-Х без термоманометров Ридан
Преобразователи частоты
Преобразователи частоты
Все преобразователи частоты
Преобразователь частоты Ридан RF-51
Преобразователь частоты Ридан RF-101
Холодильная техника
Холодильная техника
Все холодильная техника
Полугерметичные компрессоры
Полугерметичные компрессоры
Все полугерметичные компрессоры
Поршневые компрессоры
Поршневые компрессоры
Все поршневые компрессоры
Компрессоры для низко-/среднетемпературного применения Ридан
Компрессоры для высокотемпературного применения Ридан
Коммерческая холодильная автоматика
Коммерческая холодильная автоматика
Все коммерческая холодильная автоматика
Клапаны-регуляторы давления
Клапаны-регуляторы давления
Все клапаны-регуляторы давления
NRD — Дифференциальные регуляторы давления Ридан
Запорные клапаны
Запорные клапаны
Все запорные клапаны
GBC — Запорные шаровые краны Ридан
Электромагнитные клапаны и катушки
Электромагнитные клапаны и катушки
Все электромагнитные клапаны и катушки
EVR — нормально закрытые клапаны (НЗ) переменного тока Ридан
EVR – нормально открытые клапаны (НО) (катушка в комплекте)
EVR – нормально открытые клапаны (НО) (катушка в комплект не входит)
EVR — нормально закрытые клапаны (НЗ) постоянного тока Ридан
Электромагнитные катушки для EVR Ридан
Фильтры
Фильтры
Все фильтры
DCL — герметичные фильтры-осушители (твердый сердечник) Ридан
DML — герметичные фильтры-осушители (твердый сердечник) Ридан
DSF — герметичные фильтры-очистители Ридан
DAS — герметичные антикислотные фильтры (твердый сердечник) Ридан
DFL — герметичные фильтры-осушители (шариковая засыпка) Ридан
DFL_TW — герметичные фильтры-осушители (шариковая засыпка) Ридан
DGL — герметичные фильтры-осушители (шариковая засыпка) Ридан
DCR — Корпус разборного фильтра Ридан
Сменные сердечники-вставки для разборных фильтров DCR Ридан
Обратные клапаны
Обратные клапаны
Все обратные клапаны
NRVH — Клапаны обратные прямые с усиленной пружиной Ридан
NRV — Клапаны обратные прямоточные Ридан
NRVH — Клапаны обратные угловые с усиленной пружиной Ридан
NRVL — Клапаны обратные угловые Ридан
Терморегулирующие расширительные клапаны (ТРВ)
Терморегулирующие расширительные клапаны (ТРВ)
Все терморегулирующие расширительные клапаны (трв)
Термочувствительный элемент с хомутом крепления термобаллона
T2 / TE 2 — Корпус клапана с термостатическим элементом Ридан. Медная капиллярная трубка
T2 / TE2 — Корпус клапана с термостатическим элементом Ридан. Нержавеющая капиллярная трубка
Клапанные узлы в сборе с фильтром для клапанов T 2 / TE 2 Ридан
Переходники под пайку и гайки Ридан
TE 5 - 55 — Клапаны терморегулирующие Ридан
TGE — Клапаны терморегулирующие со встроенными клапанными узлами Ридан
Электронные расширительные клапаны (ЭРВ)
Электронные расширительные клапаны (ЭРВ)
Все электронные расширительные клапаны (эрв)
ETS 6 — Электронный расширительный клапан шагового типа Ридан
Катушки для клапанов ETS 6 Ридан
ETS 12.5-400 — Электронный расширительный клапан шагового типа Ридан
Смотровые стекла
Смотровые стекла
Все смотровые стекла
SGP — Смотровые стекла с индикатором влажности Ридан
Реле давления
Реле давления
Все реле давления
Реле температуры (термостаты) универсальные UT Ридан
Реле давления одноблочные KP Ридан
Реле давления одноблочные KP Ридан. Новый дизайн
Реле давления двухблочные KP Ридан
Реле давления двухблочные KP Ридан. Новый дизайн
Реле давления картриджные ACB Ридан
Реле перепада давлений MP Ридан
Реле протока
Реле протока
Все реле протока
Реле протока FQS Ридан
Регуляторы давления
Регуляторы давления
Все регуляторы давления
KVR – Регуляторы давления конденсации Ридан
KVP – Регуляторы давления кипения Ридан
KVL – Регуляторы давления в картере компрессора Ридан
KVD – Регуляторы давления в ресивере
CPCE + LG – Регуляторы производительности со смесителем жидкости Ридан
Электронные системы управления
Электронные системы управления
Все электронные системы управления
Контроллеры температуры
Контроллеры температуры
Все контроллеры температуры
Контроллеры температуры Р-КИ Ридан
Контроллеры испарителя
Контроллеры испарителя
Все контроллеры испарителя
Контроллеры испарителя Р-КИ Ридан
Контроллеры производительности
Контроллеры производительности
Все контроллеры производительности
Контроллеры производительности Р-КП Ридан
Контроллеры инженерных сетей
Контроллеры инженерных сетей
Все контроллеры инженерных сетей
Контроллеры инженерных сетей Р-УЩ Ридан
Контроллеры инженерных сетей Р-КЧ Ридан
Контроллеры инженерных сетей Р-ВК Ридан
Системы мониторинга
Системы мониторинга
Все системы мониторинга
Системы мониторинга Р-МС Ридан
Датчики газоанализации
Контроллеры программируемые
Регуляторы скорости вращения вентиляторов
Датчики температуры
Датчики температуры
Все датчики температуры
Датчики температуры Р-ДТ Ридан
Преобразователи давления
Преобразователи давления
Все преобразователи давления
Преобразователи давления Р-ДД Ридан
Контроллеры уровня
Аксессуары
Аксессуары
Все аксессуары
Блоки питания Ридан
Модуль расширительный Ридан
Адаптеры
Спиральные компрессоры
Спиральные компрессоры
Все спиральные компрессоры
Спиральные компрессоры для систем кондиционирования воздуха и тепловых насосов
Спиральные компрессоры для систем кондиционирования воздуха и тепловых насосов
Все спиральные компрессоры для систем кондиционирования воздуха и тепловых насосов
RCVH v2 — Спиральные компрессоры с частотным регулированием Ридан
RCD — спиральные компрессоры Ридан для R32
RCH v2 — Спиральные компрессоры Ридан для R410A
RCZ v2 — Спиральные компрессоры Ридан для R407C
RCH серия — Спиральные компрессоры, R407C, R134a Ридан
RCH серия — Спиральные компрессоры, R410A Ридан
Спиральные компрессоры для холодильных систем
Спиральные компрессоры для холодильных систем
Все спиральные компрессоры для холодильных систем
RCIM — спиральные компрессоры с регулируемой производительностью Ридан
RCIL — спиральные компрессоры с регулируемой производительностью Ридан
RCM v2 — спиральные компрессоры Ридан
RCL v2 — спиральные компрессоры Ридан
RCVM v2 — спиральные компрессоры с частотным регулированием Ридан
RCVL v2 — спиральные компрессоры с частотным регулированием Ридан
RCM — спиральные компрессоры Ридан
RCL — спиральные компрессоры Ридан
Теплообменное оборудование
Теплообменное оборудование
Все теплообменное оборудование
Полусварные теплообменники типа HH№ xx WL
Пластинчатые паяные теплообменники типа BPHE
Пластинчатые паяные теплообменники типа BPHE
Все пластинчатые паяные теплообменники типа bphe
Модель RD-020W Ридан
Модель RD-014 Ридан
Модель RD-027 Ридан
Модель RD-052 Ридан
Модель RD-060 Ридан
Модель RD-095B/095X Ридан
Модель RD-095 Ридан
Модель RD-113W Ридан
Модель RD-200 Ридан
Модель RD-210 Ридан
Микропластинчатые паяные теплообменники типа MPHE
Микроканальные воздушные теплообменники типа MCHE
Микроканальные воздушные теплообменники типа MCHE
Все микроканальные воздушные теплообменники типа mche
Воздушные конденсаторы Ридан
Промышленные холодильные компоненты
Промышленные холодильные компоненты
Все промышленные холодильные компоненты
Промышленные запорные клапаны
Промышленные запорные клапаны
Все промышленные запорные клапаны
SVA — запорный клапан Ридан
SNV — игольчатый запорный клапан Ридан
SVA-Q — быстроспускные запорные клапаны Ридан
Промышленные обратные клапаны
Промышленные обратные клапаны
Все промышленные обратные клапаны
SCA — обратные клапаны с запорной функцией Ридан
CHV — обратные клапаны Ридан
Сетчатые фильтры
Сетчатые фильтры
Все сетчатые фильтры
FIA — сетчатые фильтры Ридан
Фильтрующие сетки для FIA Ридан
Электромагнитные клапаны и катушки
Электромагнитные клапаны и катушки
Все электромагнитные клапаны и катушки
ICF-R — Клапаны регуляторы универсальные (электромагнитные клапаны)
EVRA(T) — электромагнитные клапаны Ридан
ICS-R — клапаны с пилотным управлением Ридан
EVM — электромагнитные пилотные клапаны Ридан
ICLX-R — двухступенчатые электромагнитные клапаны Ридан
PMLX — двухступенчатые электромагнитные клапаны Ридан
PM — клапаны с пилотным управлением Ридан
CVH — корпус для пилотного клапана Ридан
Электромагнитные катушки Ридан
Регуляторы давления и температуры
Регуляторы давления и температуры
Все регуляторы давления и температуры
ICS-R — клапаны с пилотным управлением Ридан
REG — ручные регулирующие клапаны Ридан
CVP — пилотные клапаны для поддержания давления перед клапаном (до себя) Ридан
CVС — пилотные клапаны для поддержания давления после клапана (после себя) Ридан
CVPP — пилотные клапаны для поддержания перепада давления Ридан
PM — клапаны с пилотным управлением Ридан
OFV — регулятор перепада давления Ридан
ORV — регуляторы температуры масла Ридан
Термостатические элементы для ORV Ридан
Предохранительные клапаны
Предохранительные клапаны
Все предохранительные клапаны
SFV-R — предохранительные клапаны Ридан
DSV — переключающие устройства Ридан
Электроприводные клапаны
Электроприводные клапаны
Все электроприводные клапаны
ICAD-R — электрические приводы
Контроль уровня жидкости
Контроль уровня жидкости
Все контроль уровня жидкости
ELS — электронное реле уровня жидкости Ридан
LLG-R — Смотровые стёкла для контроля уровня жидкости Ридан
SG-R — Смотровые стёкла для контроля уровня жидкости Ридан
Аксессуары
Запасные части и аксессуары
Приводная техника
Приводная техника
Все приводная техника
Преобразователи частоты Ридан
Преобразователи частоты Ридан
Все преобразователи частоты ридан
Преобразователь частоты Ридан RF-51
Преобразователь частоты Ридан RF-101
Синус-фильтры Ридан
Синус-фильтры Ридан
Все синус-фильтры ридан
Синус-фильтры Ридан RSin
Промышленная автоматика
Промышленная автоматика
Все промышленная автоматика
Комплекты КИПиА
Комплекты КИПиА
Все комплекты кипиа
Комплект КИПиА для контроля работоспособности насосов
Комплект КИПиА для модуля ГВС
Комплект КИПиА для модуля отопления
Комплект КИПиА для вентиляции
Комплект КИПиА для подпитки
Комплект КИПиА для насосной станции
Электромагнитные клапаны
Электромагнитные клапаны
Все электромагнитные клапаны
EV210WR — двухпозиционные двухходовые электромагнитные клапаны прямого действия
EV225WR — двухпозиционные двухходовые электромагнитные клапаны для пара
EV220R — двухпозиционные двухходовые электромагнитные клапаны Ридан
EV225R — двухпозиционные двухходовые электромагнитные клапаны для пара Ридан
EV250R — двухпозиционные двухходовые электромагнитные клапаны с принудительным подъемом Ридан
EV210R — двухпозиционные двухходовые электромагнитные клапаны прямого действия Ридан
EV220WR — двухпозиционные двухходовые электромагнитные клапаны Ридан
EV220WR (65-100) — двухпозиционные двухходовые электромагнитные клапаны Ридан
EV252WR — двухпозиционные двухходовые электромагнитные клапаны с принудительным подъемом Ридан
EV214R — двухпозиционные двухходовые электромагнитные клапаны высокого давления Ридан
Преобразователи давления
Преобразователи давления
Все преобразователи давления
ADP2000R — преобразователи перепада давления
ADP110R — преобразователи перепада давления на воздух
MBS1700R — преобразователи (датчики) давления для промышленных применений Ридан
MBS1900R — преобразователи (датчики) давления для насосных станций Ридан
MBS1250R — преобразователи (датчики) давления для OEM производителей Ридан
MBS4003R — преобразователи (датчики) давления для систем водоснабжения Ридан
Датчики температуры
Датчики температуры
Все датчики температуры
MBT 3250R — термопреобразователи сопротивления платиновые
MBT 5250R — термопреобразователи сопротивления платиновые Ридан
MBT 3560R — термопреобразователи сопротивления с унифицированным выходным сигналом 4-20 мА Ридан
MBT 400R — термопреобразователи сопротивления для измерения температуры окружающей среды комнатные Ридан
MBT 3280 — канальные датчики температуры для систем вентиляции Ридан
MBT 3280R — канальные кабельные датчики температуры для систем вентиляции Ридан
MBT3281 — датчики температуры наружного воздуха (уличные) Ридан
MBT3380R — датчики температуры наружного воздуха (уличные) Ридан
MBT3281 — датчики температуры накладные Ридан
MBT3381R — датчики температуры накладные Ридан
MBT3281R — датчики температуры накладные кабельные Ридан
Реле давления
Реле давления
Все реле давления
RT362R — реле перепада давления
KPI 35R, 36R, 38R — реле давления для общепромышленного применения Ридан
RT262R — реле перепада давления Ридан
DP100 — реле перепада давления воздуха Ридан
Реле температуры
Реле температуры
Все реле температуры
KP_R — реле температуры с термобаллоном Ридан
KP61R — реле температуры (термостаты) защиты от замерзания Ридан
Реле протока
Реле протока
Все реле протока
FQS-R — реле протока
Датчики влажности
Датчики влажности
Все датчики влажности
RHS400R — датчики влажности канальные Ридан
RHS440R — датчики влажности и температуры канальные Ридан
RHS410R — датчики влажности комнатные Ридан
RHS450R — датчики влажности и температуры комнатные Ридан
RHS420R — датчики влажности уличные (настенные) Ридан
RHS460R — датчики влажности и температуры уличные (настенные) Ридан
Датчики CO2
Датчики CO2
Все датчики co2
RCD200 — датчики (преобразователи) CO2 канальные Ридан
RCD210 — датчики (преобразователь) CO2 комнатные Ридан
RCD220 — датчики (преобразователи) CO2 комнатные с выходным сигналом по влажности и температуре Ридан
Аксессуары
Аксессуары
Все аксессуары
Ремкомплекты для электромагнитных клапанов EV
Катушки RR для электромагнитных клапанов EV210R, EV220R, EV225R, EV250R
Катушки RW для электромагнитных клапанов EV210WR, EV220WR, EV225WR, EV252WR
Катушки RH для электромагнитных клапанов EV214R
Катушки для электромагнитных клапанов EV Ридан
Гильзы для датчиков температуры MBT5250R и MBT3560R Ридан
Аксессуары для реле давления Ридан
Аксессуары для реле температуры Ридан
Теплый пол и снеготаяние
Теплый пол и снеготаяние
Все теплый пол и снеготаяние
Комплекты для теплого пола
Комплекты для теплого пола
Все комплекты для теплого пола
Комплекты для теплого пола — нагревательный мат Ridan TF-150 с терморегулятором Ridan Twist
Комплекты для теплого пола — нагревательный мат Ridan TF-150 с терморегулятором Ridan Clever
Комплекты для теплого пола — нагревательный мат Ridan TF-200 с терморегулятором Ridan Twist
Комплекты для теплого пола — нагревательный мат Ridan TF-200 с терморегулятором Ridan Clever
Нагревательные маты
Нагревательные маты
Все нагревательные маты
Нагревательный мат Ridan Comfort Mat-150 (Комфорт Мат-150)
Нагревательный мат Ridan TF-150
Нагревательный мат Ridan TF-200
Нагревательные кабели
Нагревательные кабели
Все нагревательные кабели
Ridan Flex-18 (Флекс-18) — двухжильный нагревательный кабель для системы «теплый пол»
Ridan Flex-10 (Флекс-10) — двухжильный нагревательный кабель для системы «теплый пол»
Саморегулирующийся нагревательный кабель Ridan Iceguard-18 (Т) (Защита от обледенения)
Саморегулирующийся нагревательный кабель Ridan Pipeguard-25 (Т) (Обогрев труб)
Саморегулирующийся нагревательный кабель Ridan Pipeguard-33 (Т) (Обогрев труб)
Саморегулирующийся нагревательный кабель Ridan Pipeguard-40 (Т) (Обогрев труб)
Ridan Snow-30 (Сноу-30) — двухжильный нагревательный кабель для системы антиобледенения
Саморегулирующийся нагревательный кабель Ridan Pipeheat-15 (Обогрев труб) с вилкой
Саморегулирующийся нагревательный кабель Ridan Pipeheat-15 (В) (Обогрев труб)
Саморегулирующийся нагревательный кабель Ridan Iceguard-18 (В) (Защита от обледенения)
Саморегулирующийся нагревательный кабель Ridan Iceguard-18 (С) (Защита от обледенения)
Саморегулирующийся нагревательный кабель Ridan Pipeguard-25 (С) (Обогрев труб)
Саморегулирующийся нагревательный кабель Ridan Pipeguard-33 (С) (Обогрев труб)
Саморегулирующийся нагревательный кабель Ridan Pipeguard-33 (В) (Обогрев труб)
Терморегуляторы
Терморегуляторы
Все терморегуляторы
Терморегулятор Ридан Compact (Компакт)
Электронный терморегулятор Base (Базовая серия)
Терморегулятор Ридан Meteo (Метео) 850R
Терморегулятор Ридан Meteo (Метео) 850RG
Программируемый терморегулятор Ridan Classy (Класси)
Электронный терморегулятор Ridan Room (комнатный)
Терморегулятор Ridan Twist (Твист)
Терморегулятор Ridan Сlever (Клевер)
Терморегулятор Ридан Multi (Мульти)
Температурные датчики
Температурные датчики
Все температурные датчики
Датчики температуры RT
Датчики температуры Ridan
Датчик температуры воздуха наружной установки Ridan
Датчик температуры на проводе
Датчик температуры воздуха в помещении
Датчик температуры наружного воздуха
Дополнительные принадлежности
Дополнительные принадлежности
Все дополнительные принадлежности
Ремонтные наборы (ДЕВИ)
Крепления для кабелей (Ridan)
Коробки распределительные Ridan
Ремонтные наборы для кабелей (Ridan)
Насосное оборудование
Насосное оборудование
Все насосное оборудование
Насосы
Насосы
Все насосы
Насосы одноступенчатые горизонтальные RH
Насосы одноступенчатые горизонтальные RHK
Насосные станции
Насосные станции
Все насосные станции
Насосные станции WaterJump тип FS
Насосные станции WaterJump тип PM
Узел учета огнетушащего вещества
Дренажная насосная станция
Насосы циркуляционные с мокрым ротором и электронным регулированием RWE Ридан
Насосы погружные дренажные RD Ридан
Насосы циркуляционные с мокрым ротором RW Ридан
Насосы одноступенчатые вертикальные ин-лайн RV Ридан
Насосы вертикальные многоступенчатые RMV Ридан
Насосные станции WaterJump тип CW и PW
Насосы горизонтальные многоступенчатые RMHI Ридан
Коттеджная автоматика
Коттеджная автоматика
Все коттеджная автоматика
Коллекторные группы
Коллекторные группы
Все коллекторные группы
Коллекторные группы с заглушками для радиаторного отопления FHF-R Ридан
Коллекторные группы с расходомерами для теплого пола FHF-RF Ридан
Коллекторные группы с заглушками для радиаторного отопления SSM-R Ридан
Коллекторные группы с расходомерами для теплого пола SSM-RF Ридан
Аксессуары для коллекторов Ридан
Узлы смешения для теплого пола Ридан
Комнатные термостаты
Комнатные термостаты
Все комнатные термостаты
Электронные комнатные термостаты RSmart (РСмарт) Ридан
Электронные комнатные термостаты WT-R Ридан
Электронные комнатные термостаты WT-RB Ридан
Беспроводные электронные комнатные термостаты Ридан
Электронные термостаты для конвекторов Greencon-R (Гринкон-Р) Ридан
Электронный радиаторный термостат Ridan SmartHeat (Умное управление теплом)
Коммутационная панель и датчики температуры пола Ридан
Термоэлектрические приводы
Термоэлектрические приводы
Все термоэлектрические приводы
Термоэлектрические приводы TWA-KR Ридан
Термоэлектрические приводы TWA-AR Ридан
Системы водоснабжения
Системы водоснабжения
Все системы водоснабжения
Арматура для внутренних распределительных систем водоснабжения
Арматура для внутренних распределительных систем водоснабжения
Все арматура для внутренних распределительных систем водоснабжения
Квартирные приборы учета
Квартирные приборы учета
Все квартирные приборы учета
Квартирные счетчики воды Ридан СГВ
Латунные краны шаровые запорные Ридан (код 065B83xxR)
Латунные краны шаровые запорные Ридан (код 065B83xxR)
Все латунные краны шаровые запорные ридан (код 065b83xxr)
Шаровые краны BVR-R Ридан
Шаровые краны BVR-DR Ридан
Шаровые краны BVR-СR Ридан
Шаровые краны BVR-FR Ридан
Нержавеющие краны шаровые запорные Ридан
Нержавеющие краны шаровые запорные Ридан
Все нержавеющие краны шаровые запорные ридан
Нержавеющие шаровые краны BVS-R Ридан
Нержавеющие шаровые краны BVS-FR Ридан
Латунные обратные клапаны Ридан
Латунные обратные клапаны Ридан
Все латунные обратные клапаны ридан
Обратный клапан NRV-R Ридан
Обратный клапан NRV-R Ридан (код 065B83XXR)
Латунные фильтры сетчатые Ридан (код 065B83xxR)
Латунные фильтры сетчатые Ридан (код 065B83xxR)
Все латунные фильтры сетчатые ридан (код 065b83xxr)
Латунный фильтр сетчатый FVR-DR Ридан
Латунный фильтр сетчатый FVR-R Ридан
Нержавеющие фильтры сетчатые Ридан
Нержавеющие фильтры сетчатые Ридан
Все нержавеющие фильтры сетчатые ридан
Фильтр сетчатый FVS-R Ридан
Клапаны редукционные Ридан
Клапаны редукционные Ридан
Все клапаны редукционные ридан
Клапан редукционный 7biz Ридан
Компенсаторы осевые сильфонные
Компенсаторы осевые сильфонные
Все компенсаторы осевые сильфонные
Осевые сильфонные компенсаторы Ридан с защитным кожухом, под приварку
Осевые сильфонные компенсаторы Ридан без защитного кожуха, под приварку
Осевые сильфонные компенсаторы Ридан НС с защитным кожухом, внешняя резьба
Осевые сильфонные компенсаторы Ридан НС без защитного кожуха, внешняя резьба
Осевые сильфонные компенсаторы Ридан НС с защитным кожухом, фланцевые
Осевые сильфонные компенсаторы Ридан НС с защитным кожухом, грувлок
Узлы распределительные этажные для систем водоснабжения WDU.3R Ридан
Квартирная станция ШКСВ-1Р для систем водоснабжения Ридан
Совмещенная квартирная станция ШКСОВ-1Р для систем отопления и водоснабжения Ридан
Термостатический балансировочный клапан AHT-R Ридан
Арматура для наружных сетей водоснабжения
Арматура для наружных сетей водоснабжения
Все арматура для наружных сетей водоснабжения
Регуляторы давления Ридан
Регуляторы давления Ридан
Все регуляторы давления ридан
Регулятор давления С101-R Ридан
Регулятор давления С301-R Ридан
Насосное оборудование
Насосное оборудование
Все насосное оборудование
Насосы
Насосы
Все насосы
Насосы горизонтальные многоступенчатые RMHI Ридан
Насосы циркуляционные с мокрым ротором и электронным регулированием RWE Ридан
Насосы погружные дренажные RD Ридан
Насосы циркуляционные с мокрым ротором RW Ридан
Насосы одноступенчатые вертикальные ин-лайн RV Ридан
Насосы вертикальные многоступенчатые RMV Ридан
Насосные станции
Насосные станции
Все насосные станции
Насосные станции WaterJump тип CW и PW
Насосные станции WaterJump тип FS
Насосные станции WaterJump тип PM
Дренажная насосная станция
Узел учета огнетушащего вещества
Арматура для общедомовых систем
Арматура для общедомовых систем
Все арматура для общедомовых систем
Краны шаровые чугунные Ридан
Краны шаровые чугунные Ридан
Все краны шаровые чугунные ридан
Краны шаровые чугунные полнопроходные КШЧ Ридан
Затворы дисковые Ридан
Затворы дисковые Ридан
Все затворы дисковые ридан
Затворы дисковые ЗДМ с рукояткой, корпус с центрирующими проушинами
Затворы дисковые ЗДМ с ручным редукторным приводом, корпус с центрирующими проушинами
Затворы дисковые ЗДМ с электрическим приводом, корпус с центрирующими проушинами
Затворы дисковые ЗДМ с рукояткой, корпус с резьбовыми проушинами
Затворы дисковые ЗДМ с ручным редукторным приводом, корпус с резьбовыми проушинами
Затворы дисковые ЗДМ с электрическим приводом, корпус с резьбовыми проушинами
Чугунные обратные клапаны/затворы Ридан
Чугунные обратные клапаны/затворы Ридан
Все чугунные обратные клапаны/затворы ридан
Обратный клапан NVD-402R Ридан
Обратный клапан пружинный NVD-802R Ридан
Обратный затвор двустворчатый ЗОД Ридан
Затвор обратный NVD-895R Ридан
Чугунные фильтры сетчатые Ридан
Чугунные фильтры сетчатые Ридан
Все чугунные фильтры сетчатые ридан
Фильтр сетчатый Ридан ФСФ Ридан
Гибкие вставки
Гибкие вставки
Все гибкие вставки
Гибкие антивибрационные вставки ZKV и контрольные стержни Ридан
Гибкие вставки ZKV (Принадлежности) Ридан
Меню страниц
Продукция
Решения
Решения
Реализованные проекты
Сервис и поддержка
О компании
О компании
Тепловая автоматика
Холодильная техника
Приводная техника
Промышленная автоматика
Новости
Контакты
Конфигураторы
Конфигураторы
Конфигуратор ПТО
Конфигуратор БТП
Подбор регулирующего клапана и привода/регулятора прямого действия
Конфигуратор шкафов автоматизации
Подбор распределительного узла TDU
Конфигуратор ППТО
Подбор компрессора и обвязки холодильной машины
Подбор насосов Ридан
Конфигуратор насосных станций
Подбор контроллеров ECL
Конфигуратор HeatConfig
Расчет мощности отопительного прибора
Расчет мощности калорифера приточной установки
Плагин DCAD
Прайс-лист
Где купить
Проектировщикам
Вход
0
Корзина
Пусто
0 T
Товары в корзине
Итого:
0 T
Оформить заказ
корзина пуста
Каталог товаров
КОНФИГУРАТОРЫ
Главная
/
Тепловая автоматика
Холодильная техника
Приводная техника
Промышленная автоматика
Теплый пол и снеготаяние
Насосное оборудование
Коттеджная автоматика
Системы водоснабжения
/
Пластинчатые теплообменники
Насосы
Чиллеры (холодильные машины)
Радиаторные терморегуляторы и клапаны
Балансировочные клапаны для систем тепло- и холодоснабжения
Клапаны и электроприводы
Контроллеры и диспетчеризация
Насосные станции
Блочные тепловые пункты
Коллекторы и распределительные узлы
Шкафы автоматизации, диспетчеризации и учета
Учёт тепловой энергии
Трубопроводная арматура
Узлы регулирования приточных установок
Преобразователи частоты
/
Разборные теплообменники ПТО
Одноходовые паяные пластинчатые теплообменники
/
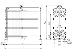
Теплообменник НН№41 ДУ 150 393-485 пластин 1,6 МПа
/
Отзывы
Теплообменник НН№41 ДУ 150 393-485 пластин 1,6 МПа отзывы
Теплообменник НН№41 ДУ 150 393-485 пластин 1,6 МПа отзывы
Обзор
Отзывы (0)
Чтобы добавить отзыв, пожалуйста,
зарегистрируйтесь
или
войдите
Чтобы добавить отзыв, пожалуйста,
зарегистрируйтесь
или
войдите
Теплообменник НН№41 ДУ 150 393-485 пластин 1,6 МПа
от
10 839 307
T
без НДС
- 0%
Экономия
-10 839 307
T
Мы используем файлы cookie, чтобы сайт был лучше для вас.
OK
₽
Запросить счет
Прайс-листы
Сервис и поддержка
Запросить счет
×
Фамилия Имя
Ваш телефон
Ваш email
Ваш регион
ИИН
Адрес объекта
Комментарий
attach_file
Прикрепить файл
Ограничение для загрузки - 1 файл.
Не больше 5 мб
Удалить
Отправить
Отправляя форму, вы соглашаетесь с
Политикой по обработке персональных данных
и предоставляете
согласие на обработку персональных данных